Lithium Batterie

Feiertag?
  • Hallo,
    ich werde mir jetzt wohl einen 100 Ah Renogy Akku kaufen. Habt ihr das Bluetooth Modul oder einen der 2 Batterie Monitore dazubestellt? Habt ihr direkt beim Hersteller bestellt? Weil momentan gibt's die Akkus gunstiger bei renogy über manomano.de.
    Habe eigentlich sowieso vor den Victron Smart Shunt mitlaufen zu lassen. Aber wenn der Akku ein Problem hat muss ich ihn ja irgendwie auslesen können oder?

  • Moin Devoma,
    Über das BT-Modul kannst du nur Ladezustand, Temperatur, Zyklen und ein paar andere Kleinigkeiten auslesen.
    Bei tiefgreifenden Problemen muss ein Tester über das Com-Kabel angeschlossen werden und das hat nur der Hersteller. Was anderes ist mit nicht bekannt.
    Ich hatte damals den Votronic Batterie Computer mit shunt eingebaut, als ich noch 2x95AH AGM hatte.
    Würde ich jetzt nicht mehr machen, meiner Meinung nach reicht die BT-Info, die von der Batterie kommt.
    LG Rainer

    Anke & Rainer
    1.Womo: 08/2019er Optima Ontour Edition V65GE, aka FREYA.
    Modifiziert: Fast alles 🙃.
    Do more of what you really love!

  • Danke für die Antwort.
    Kann man sich denn auf die Angaben vom Bluetooth Modul zum Ladezustand verlassen? Der Akku muss ja dann auch so eine Art Shunt eingebaut haben damit die Messung genau ist.
    Hast du evtl. mal die Angaben vom Votronic Shunt und dem Renogy BT-Modul verglichen?
    Hab jetzt schon einen Victron Smart Shunt hier liegen bin mir aber noch nicht sicher ob ich den unbedingt brauche und einbauen soll.
    Wären ja dann 2 Geräte mit Bluetooth (Akku und Shunt) zwischen denen ich dann wechseln müsste.
    Hab auch überlegt mir so nen billigen Batterie Monitor mit Shunt zu kaufen, aber möchte eigentlich nicht unnötig irgendwo noch ein Display einbauen.

  • Also, meine Liontron 150AH Arctic scheint ein ziemlich akkurates BT-Modul zu haben.
    Selbst nach 48h Landstrom geht der Votronic Shunt nie über 92% füllgrad hinaus und das kann nicht sein. Das war übrigens anders als ich noch 2x95Ah AGM hatte. Da stand der Votronic auf 100%. Aktuell glaube ich dem eingebauten BT-Modul schon mehr als dem Votronic.
    LG Rainer

    Anke & Rainer
    1.Womo: 08/2019er Optima Ontour Edition V65GE, aka FREYA.
    Modifiziert: Fast alles 🙃.
    Do more of what you really love!

  • Ok die Liontron ist ja auch eine andere Preisklasse Aber trotzdem danke für deine Einschätzung.
    Wie ich hier im Forum mitgelesen konnte, haben ja mehrere Leute hier einen Renogy Akku eingebaut und sind wohl ganz zufrieden.
    Evtl. meldet sich ja ein anderes Forumsmitglied noch und kann mir seine Erfahrungen schildern

  • Zitat von "Rajaham post=91471 userid=5317"

    Also, meine Liontron 150AH Arctic scheint ein ziemlich akkurates BT-Modul zu haben.
    Selbst nach 48h Landstrom geht der Votronic Shunt nie über 92% füllgrad hinaus und das kann nicht sein. Das war übrigens anders als ich noch 2x95Ah AGM hatte. Da stand der Votronic auf 100%. Aktuell glaube ich dem eingebauten BT-Modul schon mehr als dem Votronic.
    LG Rainer


    Hallo Rainer,


    ich habe auch den Votronic Shunt und der ist bei mir extrem genau, viel genauer als das BMS (Bluetoothmodul ist ja nur der Übertrager). Vielleicht musst du den Votronic Shunt noch kalibrieren. Da würde ich mal in die Anleitung schauen.


    Die Kapazitätsmessung über das BMS, also zumindest meins, hat das Problem, dass es sich nur an der Spannung orientiert. Da die Spannungskurve bei Lithium sehr flach ist, ist das dementsprechend ungenau. Da kommen dann je nach Belastung teilweise unrealistische Sprünge bei raus. Als grobe Orientierung reicht es aber allemal. Mein Votronic Shunt ist aber wesentlich genauer.

    Gruß
    Peter


    Hobby Optima Ontour Edition V65 GE, 2020er Modell, 140 PS, 310 Wp Solar Victron MPPT 100/30, 250 Ah LiFePo4, Ladebooster VCC 1212-30, 1,5 kW Ective Wechselrichter, Votronic Smartshunt 200 S

  • Von welchem Hersteller ist denn dein 250 Ah LiFePo4 Akku? Weiß jemand ob bei Renogy die Kapazität auch nur über die Spannung ermittelt wird? Das wäre ja dann genau so ein Schätzeisen wie die LED Anzeige vom Hobby Terminal.
    Also macht es evtl. wohl doch sinn den Victron Smart Shunt einzubauen...

  • Moin Peter,
    Ja, vielleicht sollte ich mich noch mal genauer mit dem Votronic beschäftigen.
    Mich wundert halt (je länger ich drüber nachdenke) dass er bei Langmdstrom bei den 2x95AH AGM zumindest bis 100% gegangen ist, seit der Liontron aber bei 92% schluss ist.
    LG Rainer

    Anke & Rainer
    1.Womo: 08/2019er Optima Ontour Edition V65GE, aka FREYA.
    Modifiziert: Fast alles 🙃.
    Do more of what you really love!

  • Zur Info:
    Bei ebay gibt es gerade die 100ah Renogy für 452 € im Angebot.
    Klick
    Auch die mit integriertem Bluetooth gibt es für 408 €. Die ist allerdings mit 221mm etwa 34 mm höher wie die ohne Bluetooth und passt somit nur noch liegend unter den Sitz.
    Klick
    Mein bei manomano.de für 500€ bestellter Renogy Akku wird dann bei Ankunft morgen direkt wieder Retoure gehen.

  • Ich hab nochmal. ne technische Frage zum. Thema Ladegerät:
    Wenn man seine AGM Aufbaubatterie gegen eine Lifepo4 austauscht hat man ja hinterher 2 verschiedene Arten von Batterien:
    Aufbaubatterie = Lifepo4
    Starter-Batterie = auch AGM oder Blei/Säure?
    Wenn ich jetzt das vorhandene Dometic Ladegerät gegen eine Lifepo4 Ladegerät ersetzen würde lädt das ja am Landstrom dann automatisch 2 unterschiedliche Batterien...
    Und selbst wenn ich das dometic drin lasse und auf blei/säure stelle ist das ja eigentlich die falsche ladekennlinie für die Starter-Batterie oder?

  • Guten Morgen Devoma,


    Nein, du musst dir keine Sorgen um den Mischbetrieb. machen.
    Wenn du nach dem Einbau der Lifep4 immer noch das originale Trennrelais aus dem
    Toptron verwendest (nicht zu empfehlen) begrenzt der Toptron den Ladestrom
    zur Fahrzeugbatterie auf 2A und einer Ladespannung die der Ladeschlussspannung des
    Ladegerätes -0,8V Abfall über die eingebaute Diode entspricht. Du kommst also gar nicht erst in den
    Akku-schädlichen Bereich, weder beim Strom noch der Spannung.


    Solltest du einen Booster verbaut haben gelten die Werte des Rückladezweiges vom Booster.


    Nur mal so,...als Zusatzinfo:
    Du kannst das originale Ladegerät weiterverwenden wenn du es auf Gel-Akku oder AGM1 umgestellt bekommst.
    Ein neues Ladegerät kaufen macht eigentlich nur Sinn wenn das alte Temperaturprobleme
    aufgrund der Dauerbelastung durch die Lifepo4 bekommt.


    LG Kurt

  • Danke für die ausführliche Antwort.
    Ich habe das werksseitige Dometic SMP 439a Ladegerät verbaut das mit max. 14,7V lädt.
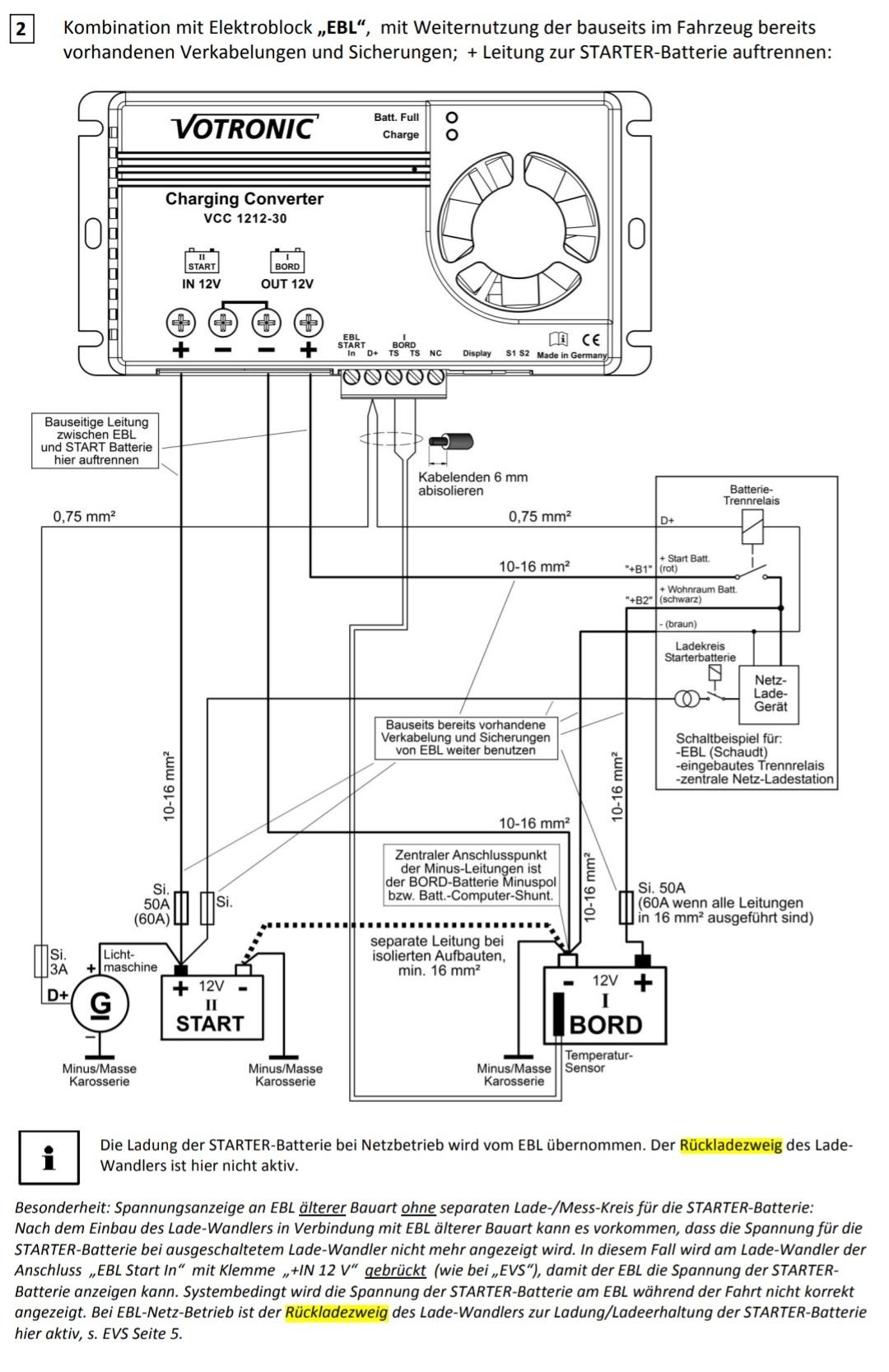
    Habe dann vor einem Jahr den Ladebooster Votronic VCC 1212-30 nach Schaltplan "EBL" eingebaut.
    Habe also nur die + Leitung die von der Starter-Batterie zum "Motor Batterie 1-Anschluss" des Toptron geht durchtrennt und den Ladebooster in Reihe angeschlossen. Somit ist ja das originale Trennrelais des Toptron noch aktiv.
    Heißt also das selbst im originalen Zustand, bei Ladung an Landstrom, an der zum Trennrelais parallel geschalteten Diode etwa 0,8V abfallen und somit bei der Starter-Batterie weniger Ladestrom ankommt.
    Die Ladespannung von 14,7V wäre ja auch etwas zu hoch für die einfache Blei-Starterbatterie.
    Laut Anleitung des Ladeboosters ist der Rückladezweig ab 13,1 V Starter-Batterie Spannung mit 0-1A aktiv.
    Im Schaltschema "EBL" steht allerdings das der Rückladezweig nicht aktiv ist...?


    Zitat : "Die Ladung der STARTER-Batterie bei Netzbetrieb wird vom EBL übernommen. Der Rückladezweig des Lade-Wandlers ist hier nicht aktiv."


    Aber der Rückladezweig muss ja geschlossen haben sonst würde ja kein Ladestrom an der Starter-Batterie ankommen...


    Also laut deiner Aussage kann ich also das Dometic Ladegerät weiterverwenden (mit der Blei-Einstellung) sollte aber das originale Trennrelais ausverdrahten? Wer übernimmt denn dann die Aufgabe die beiden Batterien im Stand zu trennen?
    Fragen über Fragen...

  • Hallo devoma,


    ich habe meinen Ladebooster genauso eingebaut und habe das Trennrelais nicht deaktiviert (ich weiß auch gar nicht, wie das geht.) Die Ladung der Starterbatterie ist dann mehr so eine Art Erhaltungsladung. Aber das reicht ja auch. Beim Fahren wird sie richtig geladen. Darüber hinaus habe ich das Dometic Bordladegerät sogar per Schalter deaktiviert und seitdem auch nicht mehr wieder in Betrieb genommen. Ladebooster und Solar (310 Wp) reichen bei mir in allen Lebenslagen und das gänzlich ohne Landstom. Den benutze ich nur für den Kühlschrank, wenn überhaupt.

    Gruß
    Peter


    Hobby Optima Ontour Edition V65 GE, 2020er Modell, 140 PS, 310 Wp Solar Victron MPPT 100/30, 250 Ah LiFePo4, Ladebooster VCC 1212-30, 1,5 kW Ective Wechselrichter, Votronic Smartshunt 200 S

  • Hallo Denova,


    das sind eine Menge Fragen. Ich versuch's mal.
    Dein Dometic kann auf Gel umgestellt werden. Ohne jetzt die genaue Daten deiner
    LifePo4 und dem Ladegerät im Kopf zu haben bin ich mir fast sicher das die
    Werte des Laders auf Gel den benötigten Werten deiner LifePo4 entspricht.
    Ich bin schon mit einigen Kollegen hier im Forum deren Konfiguration durchgegangen
    und habe, zumindest bis jetzt, noch keine negative Rückmeldung erhalten.
    Wie man das Ladegerät umschaltet ist in der Bedienungsanleitung beschrieben.


    Der Booster muss auch per Dip-Schalter auf LifePo4 umgestellt werden.
    Damit sollte alles funktionieren.


    So wie du deinen Boostereinbau beschrieben hast ist alles o.k. Da muss also auch nichts geändert werden.


    Zu deine Diodenfrage: Im Toptron sorgt das Relais dafür das sich die Fahrzeugbatterie sich, bei stehendem Motor,
    nicht über die Aufbaubatterie entladen kann und trennt daher die Verbindung zwischen Fahrzeug und Aufbaubatterie. Ohne diese Verbindung kann deine Fahrzeugbatterie aber nun nicht mehr bei Landstrom
    geladen werden. Aus diesem Grund verbaut man eine Diode deren Aufgabe darin besteht den Stromfluss
    von der Aufbaubatterie zur Fahrzeugbatterie zu ermöglichen, umgekehrt aber zu sperren.
    Das Problem bei diesen Dioden ist das diese 0,7V der Versorgungsspannung für ihre Funktion benötigen,
    die dann verloren sind. Wenn nun dein Ladegerät deine Aufbaubatterie mit 14,4V lädt (Gel) kommen an
    der Fahrzeugbatterie/Booster noch 13,6V an.


    Dein Booster schaltet den Rückladezweig erst ab 13,5V zur Fahrzeugbatterie durch was mit den 13,6V
    nun noch so gerade funktioniert. Allerdings wird der Ladezweig dann erst freigeschaltet wen deine
    Lifpo4 fast voll ist da diese 14,4V nur dann erreicht werden.
    Weiterhin wird deine Fahrzeugbatterie nur noch mit 1A geladen und nicht mehr mit 2A wie beim Toptron.


    Zitat : "Die Ladung der STARTER-Batterie bei Netzbetrieb wird vom EBL übernommen. Der Rückladezweig des Lade-Wandlers ist hier nicht aktiv."


    Da guckst du beim falschen Anschlussschema. Du musst Schema 3 verwenden, EVS.
    Ohne die Brücke "EBL Start IN"


    Also laut deiner Aussage kann ich also das Dometic Ladegerät weiterverwenden (mit der Blei-Einstellung) sollte aber das originale Trennrelais ausverdrahten? Wer übernimmt denn dann die Aufgabe die beiden Batterien im Stand zu trennen?


    Dein Dometic auf Gel. Das Trennrelais musst du nicht aus verdrahten.
    Die Funktion Batterietrennung übernimmt der Booster sowieso. Nur verwendet der Toptron dazu
    ein Relais und der Booster eine Diodefunktion. Beide erfüllen zur gleichen Zeit die selbe Funktion.
    Es würde sich also nix ändern wenn du das Relais aus verdrahten würdest.
    Gut,....nix stimmt auch nicht. Deine Ladespannung vom Rückladezweig würde um 0,7V ansteigen.
    Das ist aber für die vorgesehene Funktion unwichtig.


    Also mach es am besten so wie beschrieben.
    1. Ladegerät auf Gel
    2. Booster auf LifePo4
    3. LifePo4 einbauen


    ...........freuen.


    Ich glaube ehrlich gesagt nicht das ich dir mit den Erklärungen einen Gefallen getan habe weil das die ganze
    Sache nur verkompliziert. Für deinen Umbau sind diese Informationen aber auch nicht wichtig.


    LG Kurt

  • Hey Wahnsinn, Danke
    Noch ausführlicher hätte man es nicht beschreiben können. Jetzt habe ich alles verstanden.
    Also werde ich das Dometic Ladegerät erstmal behalten und auf Blei/Gel (14,4V) umschalten.
    Wenn an der Diode schon 0,8V abfallen ist es natürlich etwas knapp wenn der Ladebooster erst ab 13,5 V durchschaltet und das auch erst wenn det Lifepo4 Akku fast voll ist. Also nur 0,1V Unterschied.
    Ich werde mal den Ladestrom an der Starter-Batterie mit einer Stromzange messen, mal schauen wieviel da wirklich ankommt.
    Und wenn nicht muss ich mir doch ein Ladegerät besorgen das auch Lithium mit 14,6V laden kann. Renogy bietet ja auch eins mit 20 A für 140 € an. Sieht aber irgendwie nicht so vertrauenserweckend aus... Oder gibts eine Empfehlung für ein gutes/preiswertes Ladegerät?


    Gruß


    Dennis

  • Moin Dennis,
    Ich hab das Victron IP22 blue smart verbaut, keine Probleme.
    LG Rainer

    Anke & Rainer
    1.Womo: 08/2019er Optima Ontour Edition V65GE, aka FREYA.
    Modifiziert: Fast alles 🙃.
    Do more of what you really love!

  • Hi Dennis,
    ich hab einen Wechselrichter von ECTIVE verbaut, aus der CSI (Charger Sinus Inverter) Serie: lädt mit 20 A die Aufbaubatterie wenn an Landstrom, hilft auch die LiFePo voll zu halten
    LG, Richard

    ab März 2022 HOBBY Optima Ontour Edition V65GE (2022)
    bis Ende 2021 KNAUS VAN TI 550 MF Vansation (2021)
    2016-2020 HOBBY Optima DeLuxe Premium T65GE (2017)
    Davor BMW 1200RT und andere

  • Hallo Denova,


    ich habe mir gerade mal die Daten von deinem Lader angesehen.
    Das Dometic kann nur AGM1 und 2, kein Gel.
    Du musst also auf AGM1 schalten.



    Die Spannungswerte sind dann 14,4 und 13,8V. Das sind die selben Werte wie bei deinem Booster
    wenn du ihn auf LifePo4 schaltest.



    LG Kurt

  • Nochmal danke an alle für die Hilfe
    Dann bleibt das Dometic Ladegerät erstmal drin wenn die Ladespannungen sogar identisch mit dem Ladebooster sind.
    Nur der Ladeablauf (Ladekurve) ist natürlich beim Booster optimiert auf Lithium im Gegensatz zum Dometic.
    Aber da wird der Renogy Akku dank des BMS wohl mit klarkommen.


    Rainer: Das Victron IP22 Blue Smart hat ja ein fest angeschlossenes 230 V Netzkabel. Das Dometic hat ja so nen Kaltgerätestecker. Ist das Kabel auch irgendwo in ne Steckdose eingesteckt oder ist das direkt an der Landstrom-Steckdose abgeklemmt?
    Sonst müsste man ja da irgendein Adapter benutzen.

Jetzt mitmachen!

Sie haben noch kein Benutzerkonto auf unserer Seite? Registrieren Sie sich kostenlos und nehmen Sie an unserer Community teil!